Flow regulating valves, servo-operated by different pilot valves screwed-in the main valve or mounted in an external pilot line.
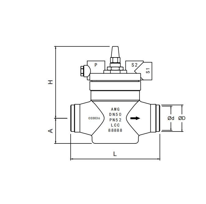
The AICS3 are designed to use with ammonia and other common fluorinated refrigerants, for liquid, suction, discharge or defrosting lines, and they have three ports, P,S1 and S2, to screw-in two or three pilot valves.
The relations between the ports where it is possible to screw-in the pilot valves on the AICS3, are following: The pilot valves on the ports S1 & S2 are connected in series, thus the main valve will be open, if just one of the pilot valves connected is closed, and it will be open if both pilots valves are open at the same time. The pilot valve screwed-in P, is connected in parallel with the pilot valves in ports S1 & S2, so the AICS3 valve will be open if the pilot in P is open, irrespective if the S1 or S2 pilot valves, are open or closed, and the main valve will be closed if the pilot in P is closed and at least one of the pilot valves in S1 or S2, are closed at the same time.
The degree of opening of AICS3 valves is function of the differential pressure between the inlet and outlet, so if the pressure difference is Dp = 0.3 bar, the main valve will be fully open, and if it is Dp = 0.2 – 0.3 bar, the degree of opening will be correspondingly proportional to △p.
